MFG Part Number DA-135-24-02-00-00

DA-135-24-02

PowerCool Series Thermoelectric Cooler Assembly

The DA-135-24-02 is a Direct-to-Air Thermoelectric Cooler Assembly that uses impingement flow to transfer heat. It offers dependable, compact performance by cooling objects via conduction. Heat is absorbed through a cold plate and dissipated thru a high density heat exchanger equipped with an air ducted shroud and brand name fan. It has a maximum Qc of 135 Watts when ΔT = 0 and a maximum ΔT of 35 °C at Qc = 0.

You can interact with the Performance Curves below to estimate the cooling performance by entering the thermal and electrical operating conditions for your application.
Click the [Custom Datasheet] button to create a Customized PDF Datasheet.
Please Note: Actual application performance will vary from calculated values based on actual thermal design characteristics.

Specifications

Heat Transfer Mechanism, Cold Side
Direct - Conduction
Heat Transfer Mechanism, Hot Side
Air - Forced Convection
Operating Temperature Range
-10°C to 42°C
Supply Voltage
24.0 VDC nominal / 30.0 VDC maximum
Current Draw
6.9 A running / 7.8 A startup
Power Supply
166.0 Watts
Performance Tolerance
10%
Hi-Pot Testing
750 VDC
Fan MTBF
50000 hours
Over-Temp Thermostat (Hot and Cold Side Heat Sink)
75°C ± 5°C (hot side heat sink)
Weight
2.90 kg
Panel Mounting
Flush Mount

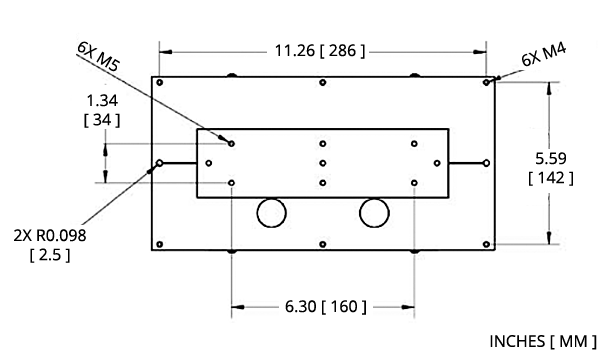
Mounting Hole Location

Wiring Schematic

Electrical and Thermal Performance

Use the sliders, input fields and [UPDATE] button below to enter your application's electrical and thermal conditions. Use the Graph Y and X Axis buttons to display a variety of performance curves and use the Voltage/Current slider to choose the electrical operating point to display performance.
Click [Custom Datasheet] button to save your results as a Customized PDF Datasheet.

Select Graph Y - Axis

Select Graph X - Axis

Optimum COP
Cooling Power (Qc) = 30.68 Watts
TEM Voltage = 10.82 Volts
TEM Current = 2.90 Amps
TEM COP = 0.98
Power Supply = 31.4 Watts
Power Dissipated (Qh) = 62.06 Watts
Fan Voltage = 24.0 Volts
Fan Current = 0.9 Amps
Maximum Qc
Cooling Power (Qc) = 83.37 Watts
TEM Voltage = 29.33 Volts
TEM Current = 7.97 Amps
TEM COP = 0.36
Power Supply = 233.8 Watts
Power Dissipated (Qh) = 317.2 Watts
Fan Voltage = 24.0 Volts
Fan Current = 0.9 Amps

Electrical Operating Point

Imin: 1.5 A
Imax: 8.0 A

Vmin: 6.4 V
Vmax: 29.3 V
TEC Voltage

TEC Current
Cooling Power (Qc)

Power Supply (Pin)

TEC COP (Qc/Pin)

Power Dissipated (Qh)

Fan Voltage

Fan Current

Thermal Operating Conditions

Cooling
Heating
Ambient High Temperature
Control Temperature
Ambient Low Temperature
Cooling ΔT
Heating ΔT
Click to UPDATE performance after changing thermal operating conditions or switching between heating and cooling mode.

Notes

1For indoor use only
2Units are generally maintenance free, however occasionally it is recommended to clean the heat sinks and fans of debris. This is best done with compressed air.

Any information furnished by Tark Thermal Solutions and its agents, whether in specifications, data sheets, product catalogues or otherwise, is believed to be (but is not warranted as being) accurate and reliable, is provided for information only and does not form part of any contract with Tark Thermal Solutions. All specifications are subject to change without notice. Tark Thermal Solutions assumes no responsibility and disclaims all liability for losses or damages resulting from use of or reliance on this information. All Tark products are sold subject to the Tark Thermal Solutions Terms and Conditions of sale (including Tark’s limited warranty) in effect from time to time, a copy of which will be furnished upon request.

© Copyright 2025 Tark Thermal Solutions, Inc. All rights reserved.

Revision: 00 Date: 06-01-2022

Print Date: 10-02-2025